Домой Карта сайта Контакты
АКЦИЯ – электронные циркуляционные насосы со скидкой 50-60% по цене обычных
Насосное оборудование
Подписка 
 



         Мешалки Flygt Серия 4640

Изделие:
Смеситель с прямой передачей и двух- или трёхлопастной
крыльчаткой, предназначенный для смешивания жидкостей и
шлама, содержащих волокна и твёрдые частицы. Смеситель
рассчитан на работу с полным погружением в жидкость.

Обозначение:
Код изделия 4640.410
Установочная опорная система Фланцевое крепление

Параметры процесса:
Температура жидкости макс. +40 °C
Глубина погружения макс. 20 м
Водородный показатель смешиваемой жидкости pH 1 - 12
Вязкость жидкости макс. 5000 сп

Параметры электродвигателя
Частота 50 Гц
Класс изоляции H (+180 °C)
Изменение напряжения
- в непрерывном режиме макс. ± 5%
- в повторно-кратковременном режиме макс. ± 10%
Неуравновешенность напряжений между фазами макс. 2%
Кол-во запусков в час макс. 15

Кабель
Прямой пуск от сети
SUBCAB® 4G2,5+2x1,5 мм2

Материал
Корпус статора нержавеющая сталь
Вал нержавеющая сталь
Масляный картер листовой прессованный материал на основе
винилового эфира

Принадлежности
Стойка и одиночная опорная система, подъёмное приспособление
и другое механическое оборудование.
Электрооборудование, такое как пускатели, сигнальные
устройства.

Дополнительные возможности
4640.490 Взрывозащищённое исполнение
Исполнение для горячей жидкости по запросу
Датчик утечки в корпусе статора FLS
Промывка уплотнения
Защита уплотнения
Врезные кольца
Защитный покров кабеля
Двухлопастная крыльчатка

Характеристики двигателя

Таблица данных миксера
Материал крыльчатки - ASTM 316 L и Proacid 254

Материал крыльчатки - легированный белый
чугун (высокохромистый)

Пояснение к 8-значному коду крыльчатки:
1-й и 2-й знак - Кол-во полюсов двигателя (16=16-полюсный)
3-й и 4-й знак -Диаметр крыльчатки (77=766 мм)
5-й и 6-й знак -Угол расположения лопастей крыльчатки
7-й знак -Материал крыльчатки (S=ASTM 304, ASTM 316 L, Proacid 254,
H=высокохромистый)
8-й знак -Гидравлическое окончание (J=с инжекционным кольцом, F=без инжекционного
кольца)

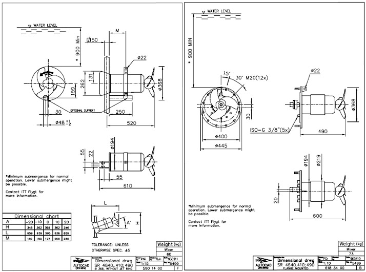
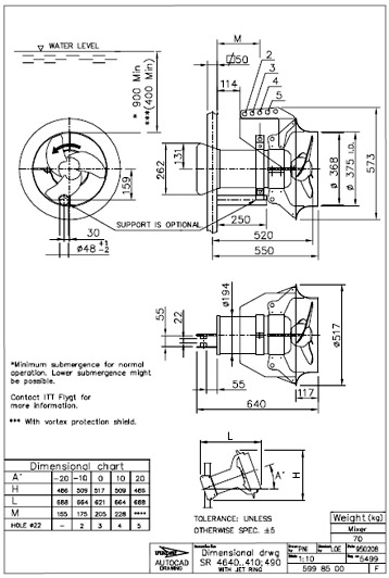
С инжекционным кольцом

       Без инжекционного кольца         C фланцевым креплением

[Image] Документация:



 

 




Logo Lowara
Logo Vogel Pumpen
Logo Flygt
Logo Zilmet
Logo Avk

Вход в систему  
 
новый пользователь? 
Зарегистрироваться
 
Система Orphus