|

Параметры электродвигателя Частота 50 Гц Класс изоляции H (+180 °C) Изменение напряжения - в непрерывном режиме макс. ± 5% - в повторно-кратковременном режиме макс. ± 10% Неуравновешенность напряжений между фазами макс. 2% Кол-во запусков в час макс. 15
Кабель Прямой пуск от сети SUBCAB® 4G2,5+2x1,5 мм2 |
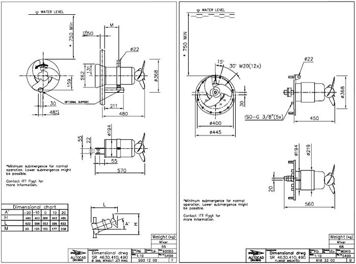
Изделие: Смеситель с прямой передачей и двух- или трёхлопастной крыльчаткой, предназначенный для смешивания жидкостей и шлама, содержащих волокна и твёрдые частицы. Смеситель рассчитан на работу с полным погружением в жидкость.
Обозначение: Код изделия 4630.410 Установочная опорная система Фланцевое крепление
Параметры процесса: Температура жидкости макс. +40 °C Глубина погружения макс. 20 м Водородный показатель смешиваемой жидкости pH 1 - 12 Вязкость жидкости макс. 5000 сп |
|
Отделка поверхности Детали из нержавеющей стали обжигаются до приобретения матового серого цвета.
Материал Корпус статора нержавеющая сталь Вал нержавеющая сталь Масляный картер листовой прессованный материал на основе винилового эфира |
Дополнительные возможности 4630.490 Взрывозащищённое исполнение Исполнение для горячей жидкости по запросу Датчик утечки в корпусе статора FLS Промывка уплотнения Защита уплотнения Врезные кольца Защитный покров кабеля Двухлопастная крыльчатка.
Принадлежности Стойка и одиночная опорная система, подъёмное приспособление и другое механическое оборудование. Электрооборудование, такое как пускатели, сигнальные устройства. |
|
Материал крыльчатки - легированный белый чугун (высокохромистый)

Пояснение к 8-значному коду крыльчатки: 1-й и 2-й знак - Кол-во полюсов двигателя (16=16-полюсный) 3-й и 4-й знак -Диаметр крыльчатки (77=766 мм) 5-й и 6-й знак -Угол расположения лопастей крыльчатки 7-й знак -Материал крыльчатки (S=ASTM 304, ASTM 316 L, Proacid 254, H=высокохромистый) 8-й знак -Гидравлическое окончание (J=с инжекционным кольцом, F=без инжекционного кольца) |