Домой Карта сайта Контакты
АКЦИЯ – электронные циркуляционные насосы со скидкой 50-60% по цене обычных
Насосное оборудование
Подписка 
 

                                                                                                      

 
 

 Задвижки  AVK  клиновая с упругим запиранием 25/401  (Пожарное оборудование) 

 

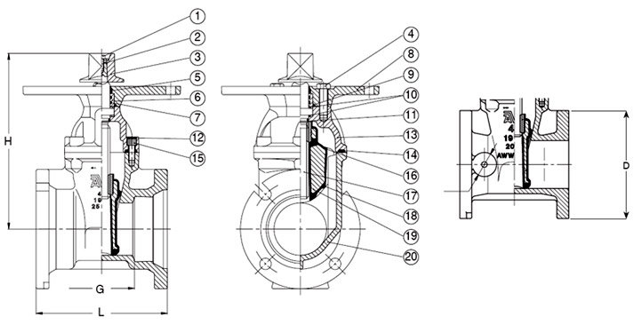
1. Шестигранный болт 8. Фланец для индикатора 15. Болты крышки
2. Шайба 9. Кольцо на фланец для индикатора 16. Клиновая гайка
3. Гайка под ключ 10. Антифрикционные шайбы 17. Шток
4. Сальниковые болты 11. Нижнее кольцо штока 18. Покрытие клина
5. Грязесъемное кольцо 12. Уплотнения болтов крышки 19. Клин
6. Коробка уплотнения штока 13. Крышка задвижки 20. Корпус задвижки
7. Верхние штоковые кольца 14. Прокладка крышки

    Задвижка AVK клиновая с упругим запиранием 25/401

[Image] Документация: [Image] Гарантия на оборудование


 




Logo Lowara
Logo Vogel Pumpen
Logo Flygt
Logo Zilmet
Logo Avk

Вход в систему  
 
новый пользователь? 
Зарегистрироваться
 
Система Orphus