Домой Карта сайта Контакты
АКЦИЯ – электронные циркуляционные насосы со скидкой 50-60% по цене обычных
Насосное оборудование
Подписка 
 

                                                                                                      

 
 

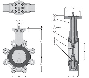
 Межфланцевыйе дросельные затворы типа Батерфляй PN 10 или PN 16 компании AVK 

Скачать информацию

     

 

[Image] Документация: [Image] 10-яя Гарантия на оборудование


 




Logo Lowara
Logo Vogel Pumpen
Logo Flygt
Logo Zilmet
Logo Avk

Вход в систему  
 
новый пользователь? 
Зарегистрироваться
 
Система Orphus