|
/ / / / /
|
|
| |
|
| Premiere Distributor Circle 2008 |
| |
Premiere Distributor Circle |
 |
|
 |
Насосы Lowara: Серия FCE 4
Рабочая среда:
- чистые, маловязкие, неагрессивные и негорючие жидкости, не содержащие каких-либо твердых включений или волокон, которые могут механически или химически воздействовать на насос
Материалы:
- корпус насоса – чугун
- рабочее колесо, вал – нержавеющая сталь AISI 316L
- уплотнительное кольцо круглого сечения – EPDM
- торцовое уплотнение вала – керамика/графит/EPDM
Технические характеристики:
максимальное рабочее давление – 12 бар
максимальная температура перекачиваемой жидкости – 130 0С
максимальная температура окружающей среды – 40 0С
напряжение питания – 3~380-415В 50Гц
4-х полюсный двигатель 1459 об/мин
класс защиты – IP55
класс изоляции – F
допускается режим непрерывной эксплуатации
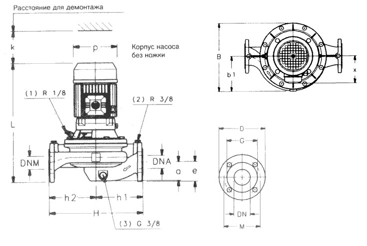
Габаритные и присоединительные размеры:
| Тип |
DNM DNA
|
H, м |
Масса, кг
|
| a |
e |
h1 |
h2 |
x |
b1 |
p |
B |
H |
L |
k |
D |
M |
G |
| FCE4 40-125/02 |
40 |
70 |
70 |
160 |
160 |
101 |
116 |
141 |
230 |
320 |
400 |
86 |
150 |
110 |
88 |
24 |
| FCE4 40-160/03 |
40
|
70 |
70 |
160 |
160 |
101 |
116 |
141 |
230 |
320 |
400 |
86 |
150 |
110 |
88 |
26 |
| FCE4 40-200/05 |
40 |
95
|
65 |
220 |
220 |
116 |
163 |
160 |
325 |
440 |
447 |
98 |
150 |
110 |
88 |
43
|
| FCE4 40-200/07 |
40 |
95
|
65 |
220 |
220 |
116 |
163 |
160 |
325 |
440 |
447 |
98 |
150 |
110 |
88 |
43 |
| FCE4 50-125/02 |
50 |
69 |
73 |
170 |
170 |
101 |
122 |
141 |
236 |
340 |
409 |
88 |
165 |
125 |
102 |
24 |
| FCE4 50-200/07 |
50 |
110
|
73 |
220 |
220 |
116 |
163 |
176 |
236 |
440 |
505 |
100 |
165 |
125 |
102 |
43 |
| FCE4 50-200/11 |
50
|
110
|
73 |
220 |
220 |
121 |
163 |
176 |
236 |
440 |
505 |
100 |
165 |
125 |
102 |
49 |
| FCE4 65-200/15 |
65 |
119
|
83 |
238 |
238 |
121 |
172 |
176 |
335 |
475 |
510 |
104 |
185 |
145 |
122 |
60 |
| FCE4 65-250/22 |
65
|
119
|
83 |
238 |
238 |
133 |
172 |
193 |
335 |
475 |
536 |
104 |
185 |
145 |
122 |
64 |
| FCE4 80-200/22 |
80
|
130
|
90 |
250 |
250 |
133 |
184 |
193 |
347 |
500 |
563 |
112 |
200 |
160 |
138 |
71 |
| FCE4 80-200/30 |
80
|
130 |
90 |
250 |
250 |
133 |
184 |
193 |
347 |
500 |
563 |
112 |
200 |
160 |
138 |
80 |
| FCE4 80-250/40 |
80 |
130 |
90 |
250 |
250 |
151 |
184 |
220 |
347 |
500 |
586 |
112 |
200 |
160 |
138 |
109 |
| FCE4 100-200/22 |
100 |
140 |
105 |
275 |
275 |
133 |
196 |
193 |
362 |
550 |
584 |
129 |
220 |
180 |
158 |
93 |
| FCE4 100-200/40 |
100 |
140 |
105 |
275 |
275 |
151 |
196 |
220 |
362 |
550 |
607 |
129 |
220 |
180 |
158 |
105 |
![[Image]](../dimg/Lowara/_001_1.jpg)
![[Image]](../dimg/Lowara/_002.jpg)
![[Image]](../dimg/Lowara/_003.jpg)
![[Image]](../dimg/Lowara/_004.jpg)
![[Image]](../dimg/Lowara/_005.jpg)
![[Image]](../dimg/Lowara/_006.jpg)
|
|
|
|